Embedded Gateway USB
Embedded Gateway USB
![]() ![]() ![]() ![]() |
|
||||||||||||||||||||||||
|
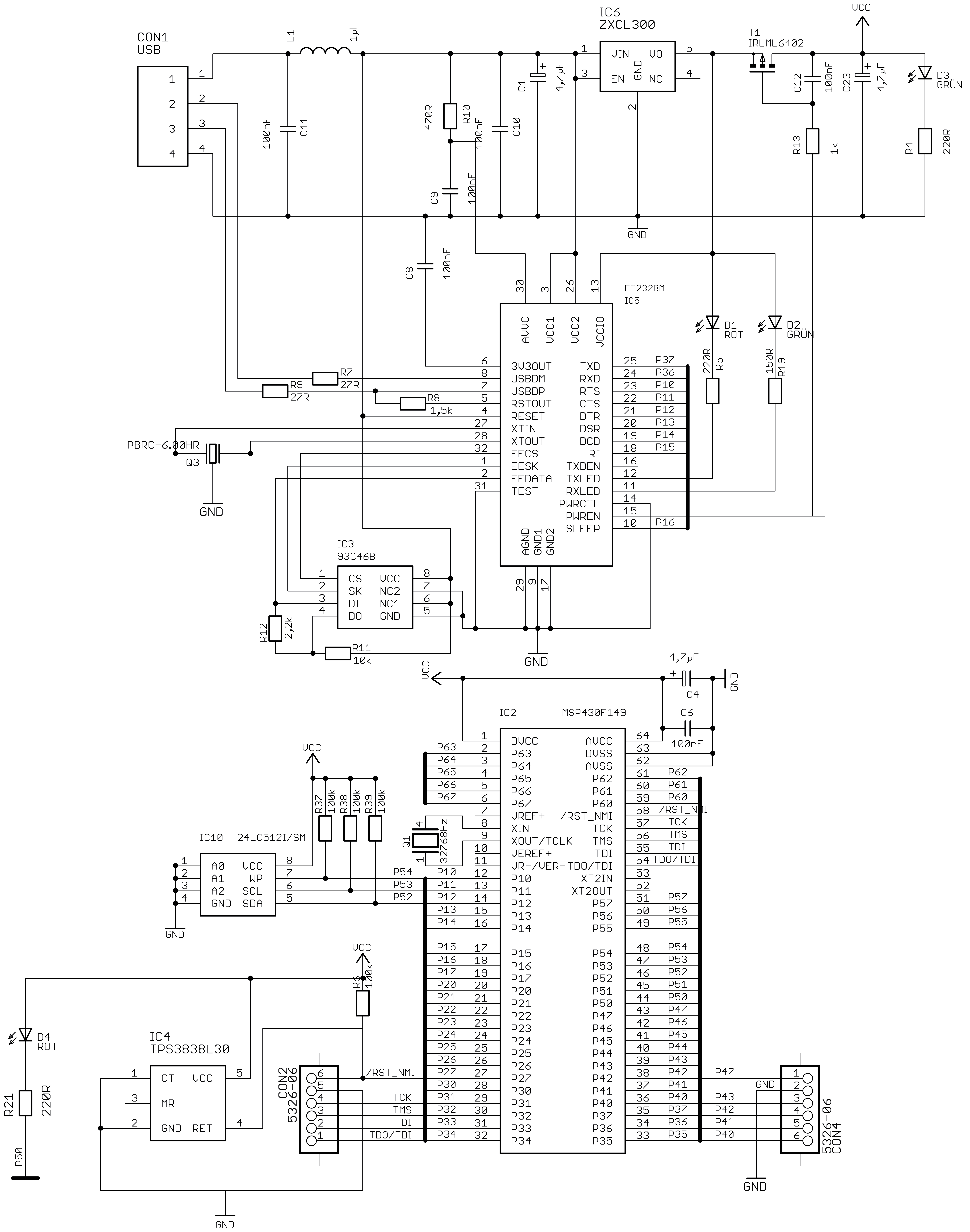
The Embedded Gateway is a USB plugable device that can comunicate, debug and control other embedded devices. It conformes to the USB sstandard so that a PC recognises it as a standard USB device. It's functionality is to collect data and route those to a server or an other end-user-device for data representaton and saving. With the included radio device CC1020 it can communicate wireless with other sensor boards. The onboard antenna connector can hold antennas from small to very large, to adopt to various surroundings and needs. With the CC1020 the gateway can manipulate the behavior of other modules or just collect their data and route them somewhere else. The integrated antenna makes it very small without loosing a big communication radius. The low-power microcontroller MSP430 consumes little energy. While with this USB-plugable device it doesn't matter it matters with battery driven devices, that this gateway communicates with. Because of the same microcontroller on the gateway and on the sensor boards the code development is easier then with two different controllers. A few LEDs on-board can visualise the status of the gateway. For exsample a errorous setup can be visualized or a loss of communication. That gives the user a quick feedback and the ability to react. The main features are: - Fully USB-compatible device, driver support for Windows and Linux - 868 MHz transceiver communicating with ECR, ESB and other Embedded Gateway boards
|
|||||||||||||||||||||||||
|
Documentation: |



