MSB A2
MSB 430-A2
![]() ![]() ![]() ![]() |
|
||||||||||||||||||||||||
|
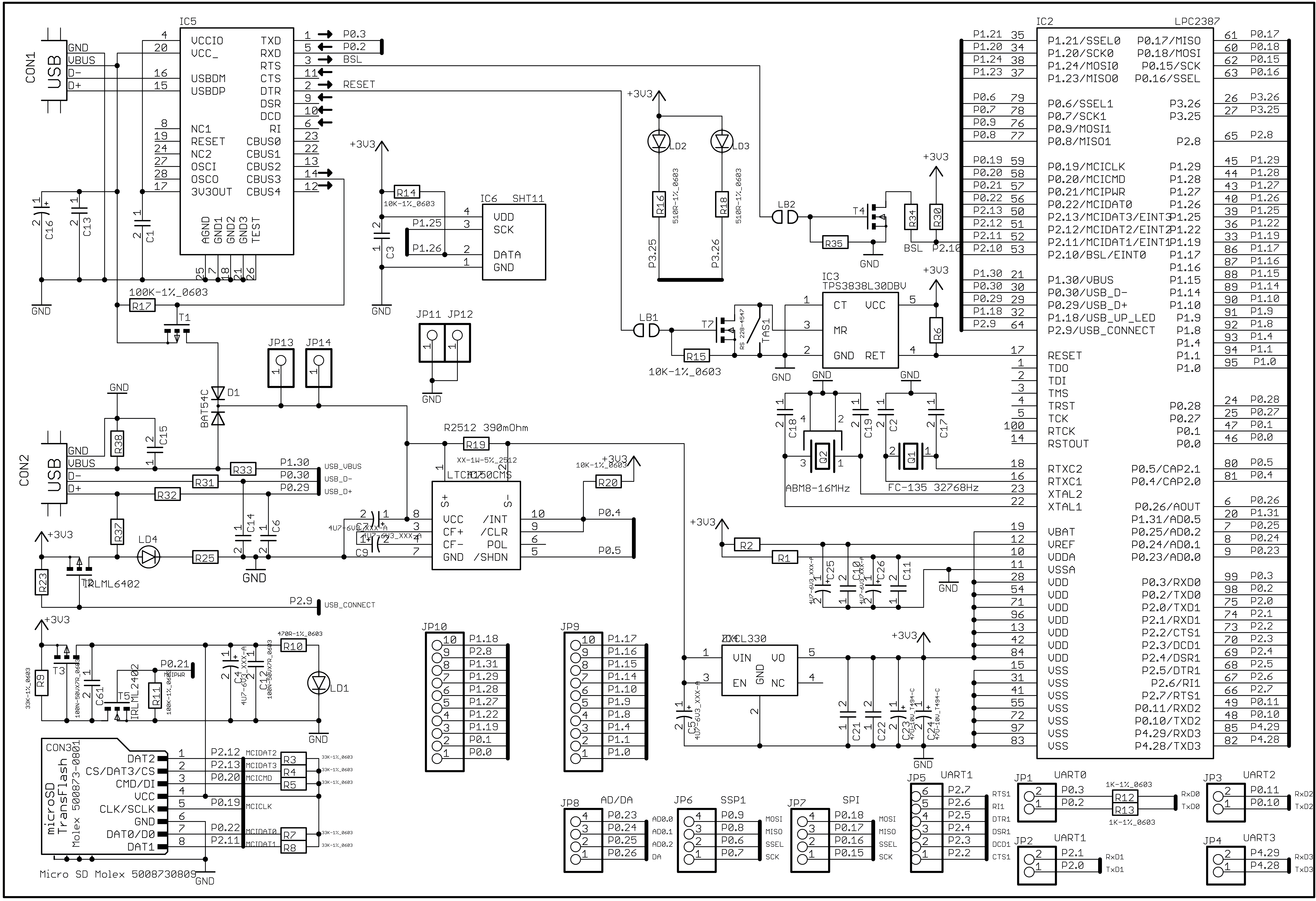
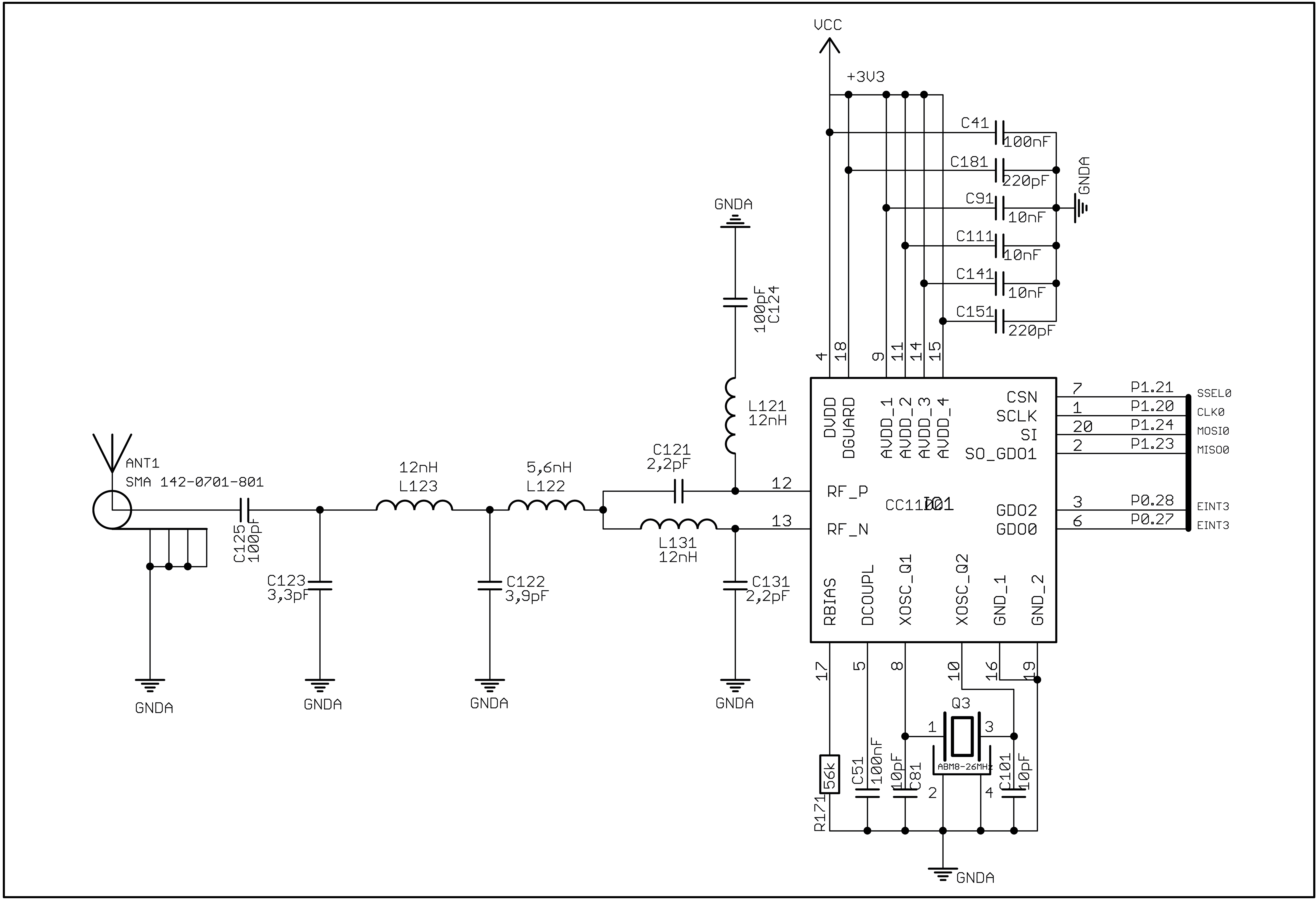
The MSB A2 was developed with the same goals as the MSB430 and MSB430-H, but with 512 KB ROM and 98 KB RAM and operating speeds up to 72 MHz. In contrast to the older MSB430 it features a mini SD-Card holder. As the older platform, it leads nearly all pins to an overlaying aditional sensor board. |
|||||||||||||||||||||||||
|
Documentation: |



