Springe direkt zu Inhalt

Modular Sensor Board 430-H

 

Modular Sensor Board 430-H

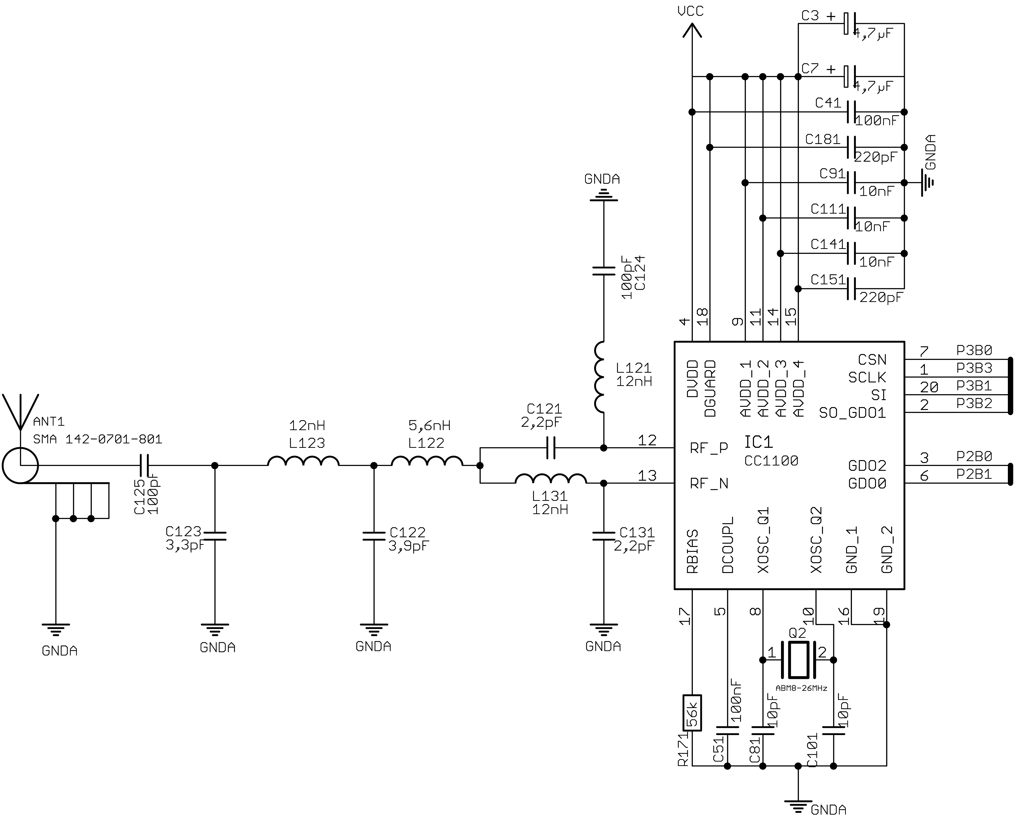
modulnamecircuit diagramm

Status:   active
CPU:   MSP430 F 1612
Radio:   CC1100
Operating elements:  
  • switch
  • LED
Onboard-sensors:  
  • MMA 7260
  • SHT11
Extension-sensors:  
  • LEDs
  • Beeper
  • buttons
Connectors:  
  • 1 FTDI cable connector
  • 1 serial cable connector
  • 1 radio antenna
  • 1 SD Card holder
Lifetime:   2007 - now

The Modular Sensor Board 430-H, is a redesign of the MSB430 with a new radio chip. The MSB430-H has the same design approach and starts with the base module, that holds the batteries and connects to the core module.

The core module has the MSP430 integrated and features a status LED, a SHT11 temperature and humidity sensor and a MMA 7260Q g-sensor.

On top of the core module different sensor modules can be placed one at a time or even multiple at a time, if this is needed. The sensor board can be designed specificaly for the users needs. it is totaly independent from the underlaying core board. The core board itself makes most of the digital IO ports accesible to the sensor board. But that's not all, it even leads the power, ground and Rx/Tx to the sensor module. This is where the sensors should be connected.

This is our most versatile node, because of the modular approach of design it is possible to build a small-sized device that is highly specialized whithout redesigning a totaly new device for each purpose.

Documentation: